Descrição
Parâmetros Técnicos
- Measuring Length:50-3000mm
- Resolution:0.1μm,,0.5μm,1μm,5μm,10μm
- Output Signal:5V TTL,5V RS422 (12V or 24V can be customized)
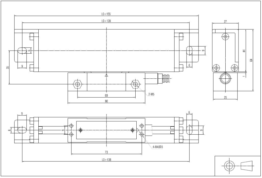
- Cross Section:27*44mm
- Accuracy:±3μm,±5μ,±10μm/M
- Working Temperature:-10℃-60℃
- Sealing Protection:IP55
- Moving Speed:60M/Min
- Reference Point:Every 50mm
Funcionalidades
- 45° five bearings sliding system,smooth and accurate movement
- Heavy duty,ver y robust,ideal for large machines
- Calibrated by Laser interferometer,accuracy guaranteed
- Full sealing structure,swarf and coolant proof



